:     
 Przebieg: 



 • Album
 • Chat
 • FAQ
    Gość  • Rejestracja • 
 • Profil
 • Grupy
 • Szukaj
 • Download
 • Statystyki
 • Klubowicze
 • Użytkownicy
Użytkownik: Hasło:  


•  SALON R25  •  R25-TV  •  FORUM  •  PORTAL  •  LINKOWNIA  •  ! POCZTA !  •

Poprzedni temat :: Następny temat
Pinologia zegarów elektronicznych
Autor Wiadomość
Tombog 
Administrator
Wszechstronny laik



R25: V6i B29F AR4 R12
Imię: Francuzeczka
Pomógł: 28 razy
Wiek: 55
Dołączył: 31 Sty 2005
Posty: 2468
Skąd: Lublin/Warszawa
Wysłany: 2010-06-29, 09:40   Pinologia zegarów elektronicznych
 

Oto opis wyprowadzeń w zegarach w wersji elektronicznej. Jeśli ktoś chciałby poświęcić trochę czasu na tłumaczenie, było by miło i na pewno pożytecznie :).






_________________

-------------------------------------------------------
Przed rozmową ze mną skontaktuj się z lekarzą lub farmaceutem
 
 
 
oleks 
Kandydat na znawcę


R25: 2068 Turbo DX B290 1990
Imię: Renia
Pomógł: 4 razy
Wiek: 52
Dołączył: 19 Lis 2005
Posty: 574
Skąd: Łodź
Wysłany: 2010-06-29, 14:37   
 

W sumie to wrzucę to od razu:
Tam gdzie ? to brak pewności, jak ktoś ma inne zdanie to poprawiajcie

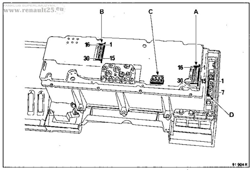
Podłączenie A (niebieska wtyczka)
1- czujnik poziomu oleju (+)
2- czujnik poziomu oleju (-)
3- światło ostrzegawcze temperatury oleju (funkcja nie używana)
4- światło ostrzegawcze awarii ukł hamulcowego
5- nie używany
6- światło ostrzegawcze ładowania akumulatora
7- światło ostrzegawcze temperatury cieczy chłodzącej
8- + po zapłonie (nie używany)
9- + po zapłonie
10- nie używany
11- nie używany
12- nie używany
13- światło ostrzegawcze ABS
14- masa
15- nie używany
16- zero przycisku resetu (?)
17- przycisk licznika odległości
18- przycisk komputera pokładowego
19- światło ostrzegawcze ciśnienia oleju
20- czujnik temperatury cieczy chłodzącej
21- masa (nie używany)
22- nie używany
23- czujnik ciśnienia oleju
24- nie używany
25- nie używany
26- światło ostrzegawcze świateł
27- kontrolka lewego kierunkowskazu
28- kontrolka tempomatu (+)
29- nie używany
30- kontrolka tempomatu (-)



Podłączenie B (czerwona wtyczka)

1. kontrolka minimalnego poziomu paliwa do syntezatora mowy
2. sygnał prędkości do tempomatu i do syntezatora mowy
3. masa (*)
4. podświetlenie wyświetlacza
5. Rev sygnał licznika
6. sygnał przepływu paliwa
7. masa wskaźnika paliwa
8. sygnał wskaźnika paliwa
9. światło ostrzegawcze awarii ukł. hamulcowego (*)
10. kontrolka świateł drogowych ?
11. kontrolka prawego kierunkowskazu
12. kontrolka świateł mijania ?
13. oświetlenie deski rozdzielczej (-)
14. oświetlenie deski rozdzielczej (+)
15. kontrolka świateł mijania (-)
16. + po zapłonie (*)
17. sygnał prędkości do układu wtryskowego
18. światło ostrzegawcze zużycia klocków hamulcowych
19. światło ostrzegawcze niskiego poziomu płynu do spryskiwaczy
20. światło ostrzegawcze awarii układu elektronicznego
21. + przed zapłonem
22. masa
23. nie używany
24. nie używany
25. nie używany
26. nie używany
27. kontrolka hamulca ręcznego
28. oświetlenie deski rozdzielczej (-) (*)
29. oświetlenie deski rozdzielczej (+) (*)
30. światło ostrzegawcze niskiego poziomu cieczy chłodzącej

Podejrzewam że * oznacza nie używany



Podłączenie C Czujnik prędkości
A1 Czujnik masa
A2 Czujnik prędkości (+)
B1 Czujnik masa
B2 Ekranowanie ( przewodu )
B3 Czujnik prędkości
Uwaga: W celu uniknięcia ryzyka błędu połączenia styki czujnika prędkości są pokryte złotem i zdublowane

Podłączenie D (rheostat?)
1. oświetlenie przez rheostat
2. zero reset
3. nie używany
4. Wybór licznika kilometrów
5. oświetlenie poza modułem rheostat
6. masa
7. nie używany
Ostatnio zmieniony przez MaciejR21 2010-06-29, 20:28, w całości zmieniany 2 razy  
 
 
Patryk 
Kandydat na znawcę



R25: była R25 2,2 TX J7T B29B 1991
Pomógł: 1 raz
Wiek: 35
Dołączył: 16 Cze 2005
Posty: 669
Skąd: Łódź
Wysłany: 2010-06-29, 15:15   
 

rheostat to opornica :)
_________________

 
 
 
Tombog 
Administrator
Wszechstronny laik



R25: V6i B29F AR4 R12
Imię: Francuzeczka
Pomógł: 28 razy
Wiek: 55
Dołączył: 31 Sty 2005
Posty: 2468
Skąd: Lublin/Warszawa
Wysłany: 2010-06-29, 18:34   
 

Patryk napisał/a:
rheostat to opornica

Chodzi o to pokrętło do przyciemniania podświetlenia zegarów.
_________________

-------------------------------------------------------
Przed rozmową ze mną skontaktuj się z lekarzą lub farmaceutem
 
 
 
250PS 
Gadaczka


R25: 2.5 v6 turbo baccara
Dołączył: 25 Sty 2009
Posty: 59
Skąd: warszawa
Wysłany: 2010-06-29, 23:03   
 

Mnóstwo świetnych informacji,lecz zagadką jest brak sygnału obrotomierza.
 
 
250PS 
Gadaczka


R25: 2.5 v6 turbo baccara
Dołączył: 25 Sty 2009
Posty: 59
Skąd: warszawa
Wysłany: 2010-07-07, 19:13   
 

Obrotomierz-wtyczka czerwona-pin nr. 5-rev counter information. Po podłączeniu sygnału bezpośrednio z cewki obrotomierz ruszył.Martwi mnie fakt że w trzech kompletach wtyczek do gniazda czerwonego,pin nr 5 był wolny a obrotomierz ,w tych samochodach działał.Na wszelki wypadek zabezpieczę ten przewód bezpiecznikiem o niskim amperażu.
 
 
Marcin Boroński 
Kawaler



R25: 2.9 V6 B29F 87
Imię: Renata
Wiek: 46
Dołączył: 16 Sie 2008
Posty: 63
Skąd: Wieliczka
Wysłany: 2010-10-19, 17:52   
 

Witam. Chce przeszczepić do mojego TX zegary z GTX tylko mam pytanie czy ktoś ma rozkłąd pinów do ukłądy z zegarów z wtyczakami do taśm bo musze przerobić to na ten układ z dwoma wtyczkami tą czerwoną i niebieską .Elektryke z deska roździelczą mam własnie z GTX 84 rocznik ale po próbie podłaczenia ciemność na zegarach. Elektronike i zegary są z 1991 uratowane ze szrotu :) ( jeszcze 2 godziny i by poszły na przemiał ) . Jak by ktoś potrzebował wskażnik podciśnieniowy do turbo z rurką to sie można dogadać bo zegarów to mam troche kawałeczków.

A teraz zrobiłem generalny remont Renatki od podłogi po sufit to i za elektryke sie czas zabrać.

ps. radio też zagodowane znalazłem po nitce do kłębka
Dołączam zdjęcie z półmetku z lata:)

Pozdrawiam wszystkich i dziękuje z góry.
 
 
 
Marcin Boroński 
Kawaler



R25: 2.9 V6 B29F 87
Imię: Renata
Wiek: 46
Dołączył: 16 Sie 2008
Posty: 63
Skąd: Wieliczka
Wysłany: 2010-11-04, 00:22   Ewolucja
 

Witam wszystkich. Do tematu o który pytałem chciałem dołączyć zdjęcie i pokazać o co mi chodzi i czy jest realna możliwość takiej przekładki. Niestety są tak wielkie różnice że nie wiem czy mi sie uda. Teraz do rzeczy jak by ktoś miał na wierzchu licznik do renaty w pierwszej budzie tam gdzie jest lutowany wyświetlacz do płytki ( tak jest w moim przypadku niestety taki dostałem ). A nie chce czegoś spalić proszę o rozpiske pinologi tego podłaczenia kolorkami .Ten panel wskaźników z 1984 pasuje najlepiej pasuje tylko własnie ten moduł z wyświetlaczem chciałbym podłaczyć .Poprostu zależy mi na predkościomierzu, od samego początku nie działa , a to strasznie cieszy oko .
Ostatnio zmieniony przez Marcin Boroński 2010-11-04, 00:44, w całości zmieniany 1 raz  
 
 
 
Wyświetl posty z ostatnich:   
Odpowiedz do tematu
Nie możesz pisać nowych tematów
Nie możesz odpowiadać w tematach
Nie możesz zmieniać swoich postów
Nie możesz usuwać swoich postów
Nie możesz głosować w ankietach
Nie moesz zacza plikw na tym forum
Moesz ciga zaczniki na tym forum
Dodaj temat do Ulubionych
Wersja do druku

Skocz do:  

Powered by phpBB modified by Przemo © 2003 phpBB Group
Hosting strony: www.tombogmedia.pl
Strona wygenerowana w 0.03 sekundy. Zapytań do SQL: 20