:     
 Przebieg: 



 • Album
 • Chat
 • FAQ
    Gość  • Rejestracja • 
 • Profil
 • Grupy
 • Szukaj
 • Download
 • Statystyki
 • Klubowicze
 • Użytkownicy
Użytkownik: HasÅ‚o:  


•  SALON R25  •  R25-TV  •  FORUM  •  PORTAL  •  LINKOWNIA  •  ! POCZTA !  •

Poprzedni temat :: Następny temat
Schemat Elektryczny
Autor Wiadomość
Tombog 
Administrator
Wszechstronny laik



R25: V6i B29F AR4 R12
ImiÄ™: Francuzeczka
Pomógł: 28 razy
Wiek: 55
Dołączył: 31 Sty 2005
Posty: 2468
SkÄ…d: Lublin/Warszawa
WysÅ‚any: 2005-05-21, 18:01   Schemat Elektryczny
 

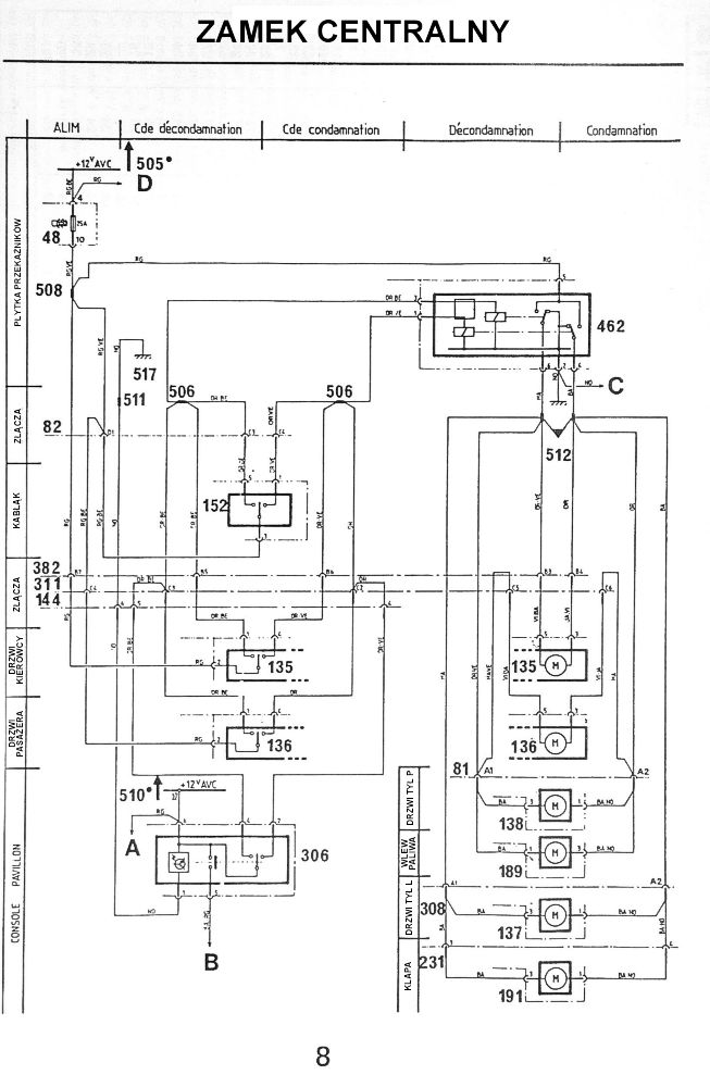
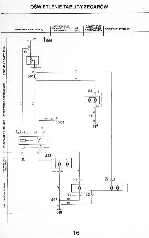
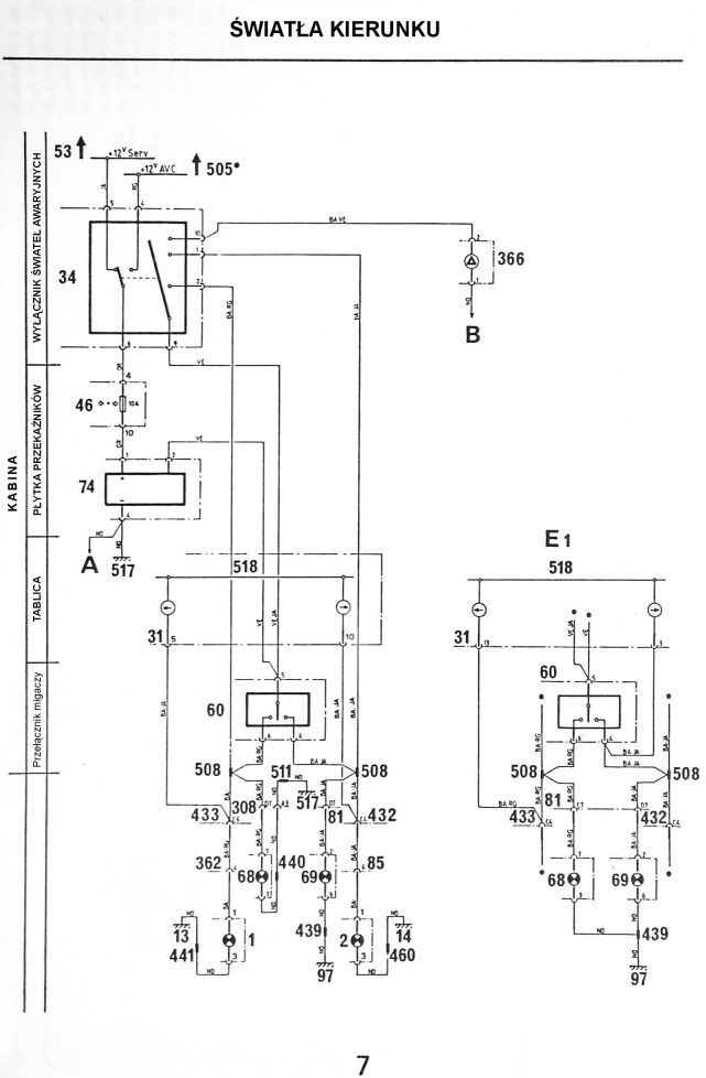
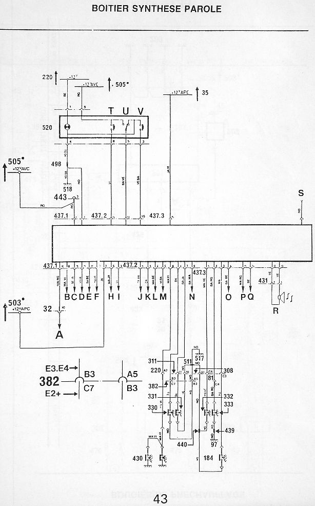
Zaczynam w wolnych chwilach wrzucać schematy. nie za szybko, bo czasu mało a trochę tego jest.
Całość w nieobrobionej postaci dostępna jest na naszym FTP.
Opis numeryczny schematu w ciągłym tłumaczeniu znadziecie tu:
http://www.renault25.eu/viewtopic.php?t=28
Dzisja pierwsza porcja:






 
 
 
WyÅ›wietl posty z ostatnich:   
Odpowiedz do tematu
Nie możesz pisać nowych tematów
Nie możesz odpowiadać w tematach
Nie możesz zmieniać swoich postów
Nie możesz usuwać swoich postów
Nie możesz głosować w ankietach
Nie mo¿esz za³±czaæ plików na tym forum
Mo¿esz ¶ci±gaæ za³±czniki na tym forum
Dodaj temat do Ulubionych
Wersja do druku

Skocz do:  

Powered by phpBB modified by Przemo © 2003 phpBB Group
Hosting strony: www.tombogmedia.pl
Strona wygenerowana w 0.02 sekundy. Zapytań do SQL: 11